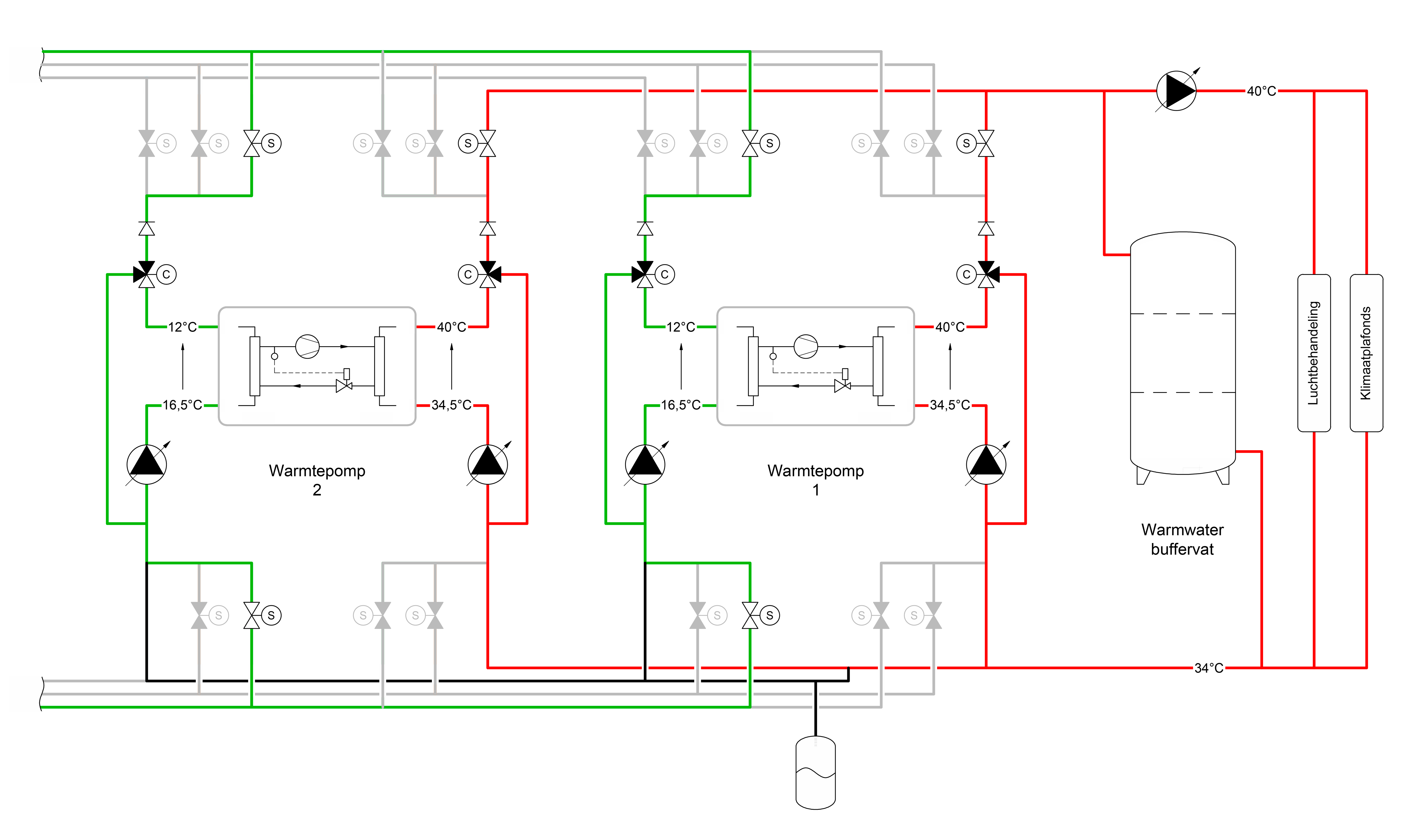
Warmte- en koudeopwekking
Door RHIA Installatietechniek is een basisopzet voor een warmte- en koudecentrale ontwikkeld welke werkt met energieopslag in de bodem (WKO).
Lange Termijn Energie Opslag (LTEO) is een verzamelbegrip voor systemen waarmee energie voor een lange periode (maanden tot seizoenen) wordt opgeslagen en later weer wordt benut. Bijvoorbeeld het overschot aan warmte in de zomermaanden wordt opgeslagen zodat deze in de winter wanneer er een tekort is benut kan worden.
Met energieopslag in watervoerende lagen (WKO) is inmiddels veel ervaring opgedaan. Nederland heeft hierin ontegenzeggelijk de voortrekkersrol, maar ook in omringende landen met aanzienlijke temperatuursverschillen tussen zomer en winter, geschikte bodem- en grondwaterlagen en ambitieuze CO₂-reductiedoelstellingen vindt het systeem steeds meer toepassing.
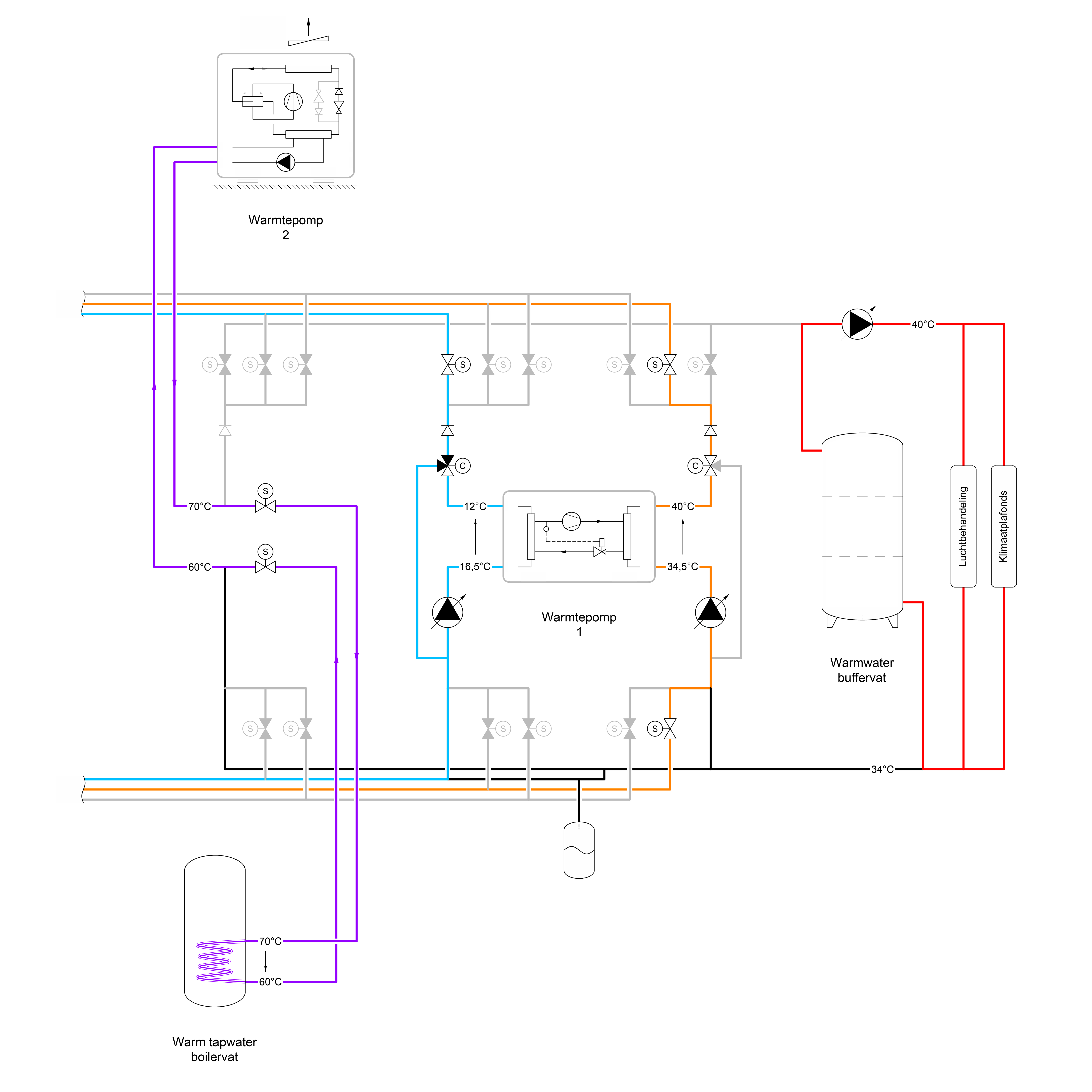
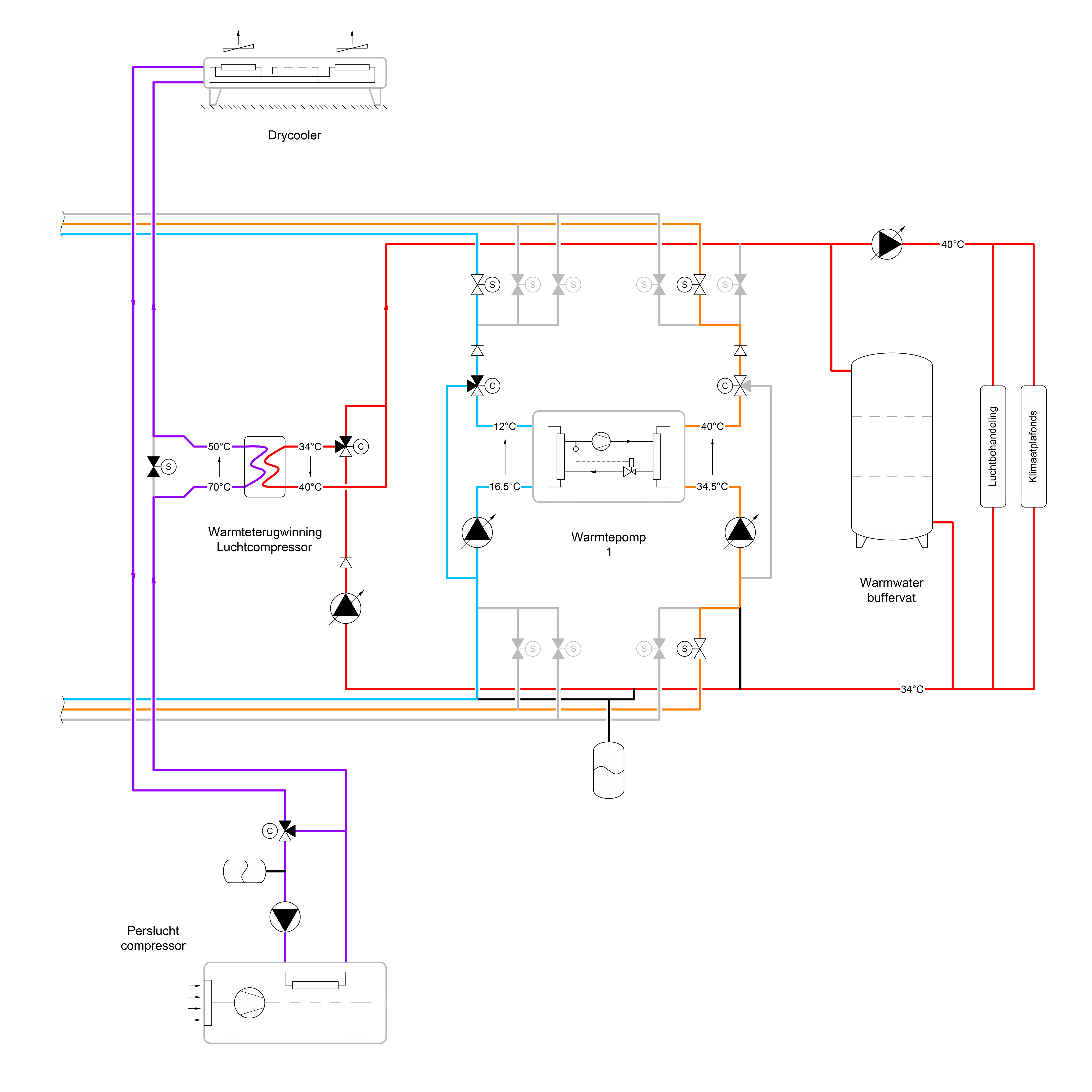
In zijn meest eenvoudige vorm bestaat de installatie naast het bronsysteem verder uit een warmtepomp, drycooler en een CV- en GKW-buffervat.
Een en ander zoals op het principeschema hieronder weergegeven en nader toegelicht onder “Warmte- en koudeopwekking”.
Iedere warmte- en koudecentrale wordt ontworpen op basis van de specifieke omstandigheden van het project, met andere woorden het is altijd maatwerk.
De RHIA basisinstallatie is door de modulaire “common rails” opzet eenvoudig uit te breiden zonder dat de overzichtelijkheid verloren gaat. Ter illustratie zijn onderstaande voorbeelden uitgewerkt:





